差分对版图(Didfferential Pair Layout)

版图
0 字 / 约 0 分钟
2011/9/14

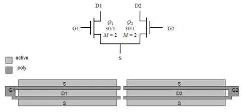
Basic Differential Pair Layout

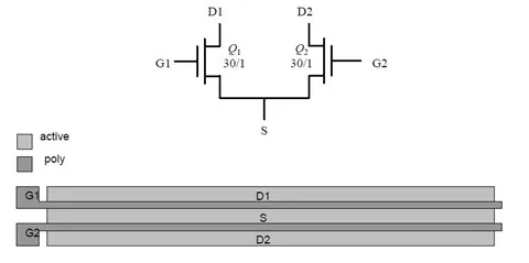
Alternative Differential Pair Layout

Common Centroid Layout

Alternative-Common-Centroid-Layout

Differential Pair with Very Wide Transistors

Multi-Finger Transistors

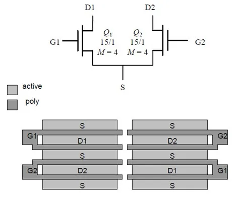
Common Centroid Layout with Multi-Fingered Gates

Doughnut-Transistors